ALLWINCITY万象城

飞速转动管接头

ALLWINCITY万象城 - 产品展示

MXZ型 单径路
型号:MXZ
外管:螺纹或法兰
特征:专为皮革、橡塑行业而开发设计的冷却水用旋转接头; 圆柱密封结构设计,具有耐磨损、旋转扭矩小、检修方便等优点; 轻型设计;

新主要参数设置:
适用介质
最高温度 ≤100℃
最高压力 ≤0.8MPa
最高转速 ≤200rpm

产品咨询 返回列表

市场销售服务保障热线电话: 0595-8686 1188
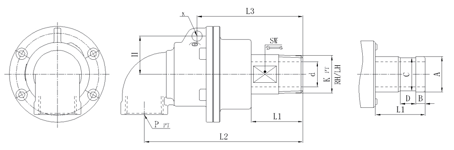
Model K P d L1 L2 L3 N SW H 法兰式外管尺寸对照表
A B C D
20A 3/4" 3/4" Rc3/4" 18 40 121.8 84 8 27 28.5 / / / /
/ Rc3/4" 18 40 121.8 84 8 / 28.5 26 11 24 16
25A 1" 1" Rc1" 22 44 137 91 9 31 33.5 / / / /
/ Rc1" 22 44 137 91 9 / 33.5 34 11 32 16
32A 1-1/4" 1-1/4" Rc1-1/4" 30 50 153.8 106 11 41 40.5 / / / /
/ Rc1-1/4" 30 50 153.8 106 11 / 40.5 40 13 38 20
如属规格品外,本公司可配合要求制作。
规格尺寸如有修改,恕不另行通知。

Copyright ©福建省ALLWINCITY万象城科技股份有限公司 版权所有 中机标准化研究院 网站建设: