ALLWINCITY万象城

拖动连接头

ALLWINCITY万象城 - 产品展示

MXQL型 单径路
型号:MXQL
外管:螺纹或法兰
特征:正球面密封; 标准浸锑石墨密封技术; 多道无油轴承支撑; 支撑间距最大化; 精密铸铁壳体; 双通路设计; 可自动调心; 分体式设计; 密封磨损刻度线,可预防性维护设计; 旋转轴表面经耐磨损、耐腐蚀处理; 内管安装简便; 易于更换。

技巧性能指标:
适用介质 蒸汽、热油
最高温度 ≤220℃(蒸汽)、≤350℃(热油)
最高压力 ≤1.8MPa
最高转速 25A-50A≤200rpm

产品咨询 返回列表

销售人员的热线电话: 0595-8686 1188


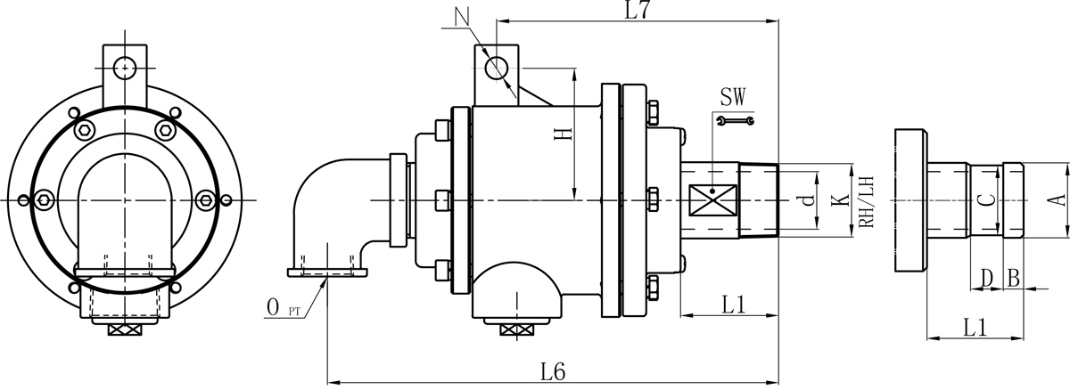
Model K O d L1 L6 L7 N H SW 法兰式外管尺寸对照表
A B C D
25A R1" Rc1" 23.5 53 236 153 12 66 32 34 12 32 18
32A R1-1/4" Rc1-1/4" 30 55 267 171 14 78 39 40 13 38 20
40A R1-1/2" Rc1-1/2" 36 65 288 187 14 85 46 47.8 13 45 20
50A R2" Rc2" 45 73 327 213 14 93 57 60 16 57 24

如属规格品外,本公司可配合要求制作。
规格尺寸如有修改,恕不另行通知。 

Copyright ©福建省ALLWINCITY万象城科技股份有限公司 版权所有 中机标准化研究院 网站建设: