ALLWINCITY万象城

自动旋转直接头

ALLWINCITY万象城 - 产品展示

TX型 单通道
型号:TXD、TXDF
外管:螺纹或法兰
特征:球面密封设计; 管球经过特殊处理; 双无油轴承支撑; 支撑间距最大化; 可更换性密封端盖。

技术应用运作:
适用介质 蒸汽
最高温度 ≤220℃
最高压力 ≤1.8MPa
最高转速 ≤200rpm

产品咨询 返回列表

产品工作服务电话: 0595-8686 1188
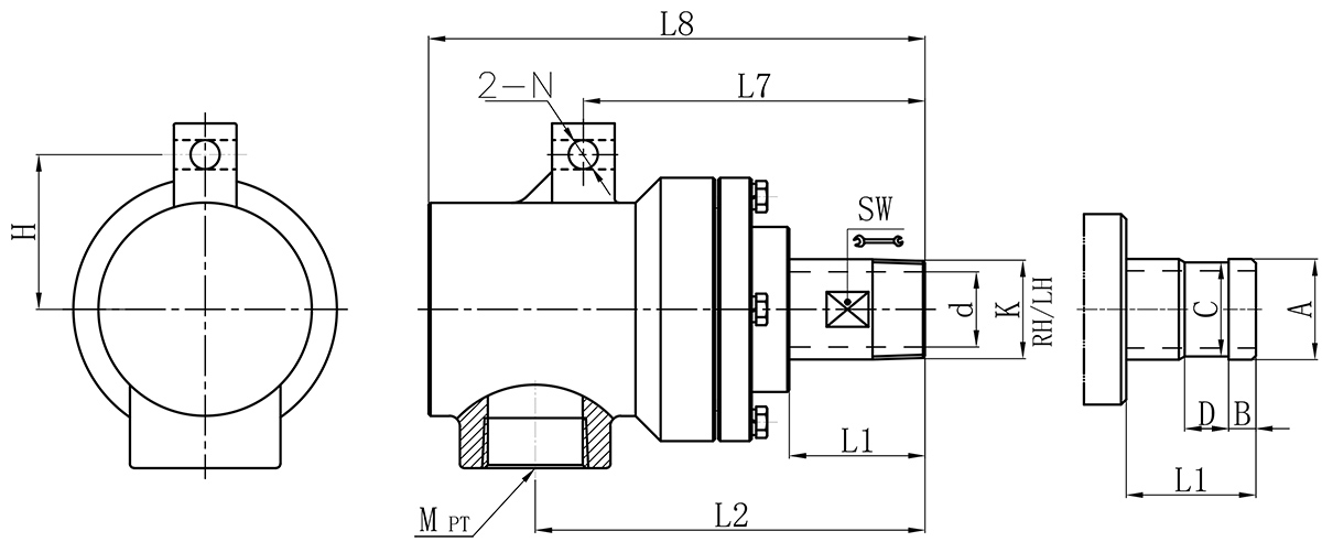
Model K M d L1 L2 L7 L8 N H SW 法兰式外管尺寸对照表
A B C D
20A R3/4" Rc3/4" 18 49 141 125 170 10 56 24 26 11 24 16
25A R1" Rc1" 23.5 54 147 131 181 12 60 32 34 12 32 18
32A R1-1/4” Rc1-1/4" 30 57 161 140 205 14 68 39 40 13 38 20
40A R1-1/2” Rc1-1/2" 36 67 186 163 260 14 74 45 47.8 13 45 20
50 R2” Rc2" 45 72 212 170 285 14 97 58 60 16 57 24

如属规格品外,本公司可配合要求制作。
规格尺寸如有修改,恕不另行通知。 

Copyright ©福建省ALLWINCITY万象城科技股份有限公司 版权所有 中机标准化研究院 网站建设: